2004 acura tl alternator Alternator p3332

Contents [Show]

If you are looking for 2004 Acura TL Alternator | AutoPartsKart.com you've came to the right web. We have 5 Pics about 2004 Acura TL Alternator | AutoPartsKart.com like Acura tl 2004-2008 Alternator Replacement Quick & Easy Guide - YouTube, 2004 Acura TL Alternator | AutoPartsKart.com and also 2004-2008 ACURA TL ALTERNATOR P3332 | eBay. Here you go:

2004 Acura TL Alternator | AutoPartsKart.com

2004 Acura TL Alternator | AutoPartsKart.com www.autopartskart.com

alternator tl wd

Alternator Fits Acura MDX 3.5L 2003 2004 Acura TL 3.2L 2004 31100-RDJ

Alternator Fits Acura MDX 3.5L 2003 2004 Acura TL 3.2L 2004 31100-RDJ www.walmart.com

alternator tl a01 rdj

2004-2008 ACURA TL ALTERNATOR P3332 | EBay

2004-2008 ACURA TL ALTERNATOR P3332 | eBay www.ebay.com

alternator p3332

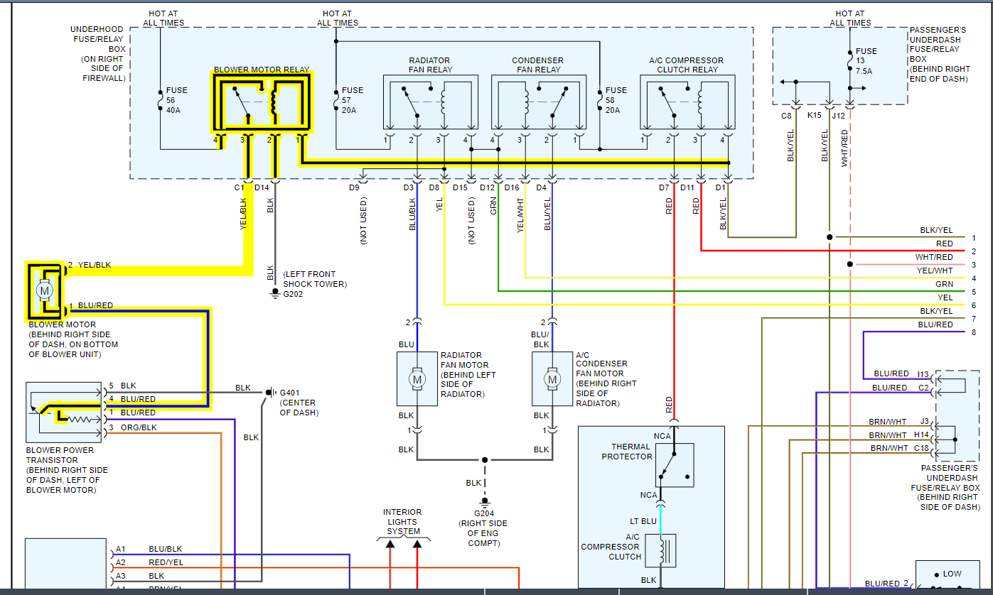
️2004 Acura Tl Amp Wiring Diagram Free Download| Qstion.co

️2004 Acura Tl Amp Wiring Diagram Free Download| Qstion.co qstion.co

Acura Tl 2004-2008 Alternator Replacement Quick & Easy Guide - YouTube

Acura tl 2004-2008 Alternator Replacement Quick & Easy Guide - YouTube www.youtube.com

alternator

Alternator p3332. ️2004 acura tl amp wiring diagram free download| qstion.co. Acura tl 2004-2008 alternator replacement quick & easy guide


Post a Comment

Previous Post Next Post